產品總匯
ZN63(VS1)-12固封式真空斷路器
-
產品概述:
ZN63A(VS1)-12系列戶內固封式高壓真空斷路器為額定電壓12kV的中壓固封式真空斷路器(以下簡稱斷路器),主要用于中壓配電系統中,起開、合、承載負荷電流、過載電流及短路電流之用。廣泛應用于電廠、電網、石化、冶金、城市基礎設施建設如地鐵、機場、樓宇等項目。是戶內鎧裝式空氣絕緣開關柜(如KYN96-12、KYM28-12)的理想配套產品。
本產品完全符合國家標準:GB 1984-2003《交流高壓斷路器》、JB 3855-96《3.6-40.5kV戶內交流高壓真空斷路器》、DL/T403-2000《12-40.5戶內高壓真空斷路器訂貨技術條件》和IEC出版物62271-100及60694標準規范,因此可以在世界各地可靠運行。
性能特點:
VS1真空斷路器可在工作電流范圍內進行頻繁的操作或多次開斷短路電流;
VS1真空斷路器機械壽命可高達20000次,短路電流開斷次數可達50次;
VS1真空斷路器適于重合閘操作并有極高的操作可靠性與使用壽命;
VS1真空斷路器(普通型)采用了立式的絕緣筒防御各種氣候的影響;
VS1真空斷路器在維護和保養方面,通常僅需對操作機構做間或性的清掃或潤滑;
VS1真空斷路器(極柱型)采用了固體絕緣結構—集成固封極柱,實現了免維護;
VS1真空斷路器在開關柜內的安裝形式既可以是固定式,也可以是可抽出式的,還可安裝于框架上使用;
技術參數:

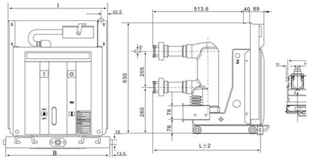
外形尺寸:










